StreamAIR Centralizzato

Soluzione ideale per condomìni ed edifici plurifamiliari, consente di integrare climatizzazione e ventilazione meccanica controllata in modo efficiente e centralizzato.

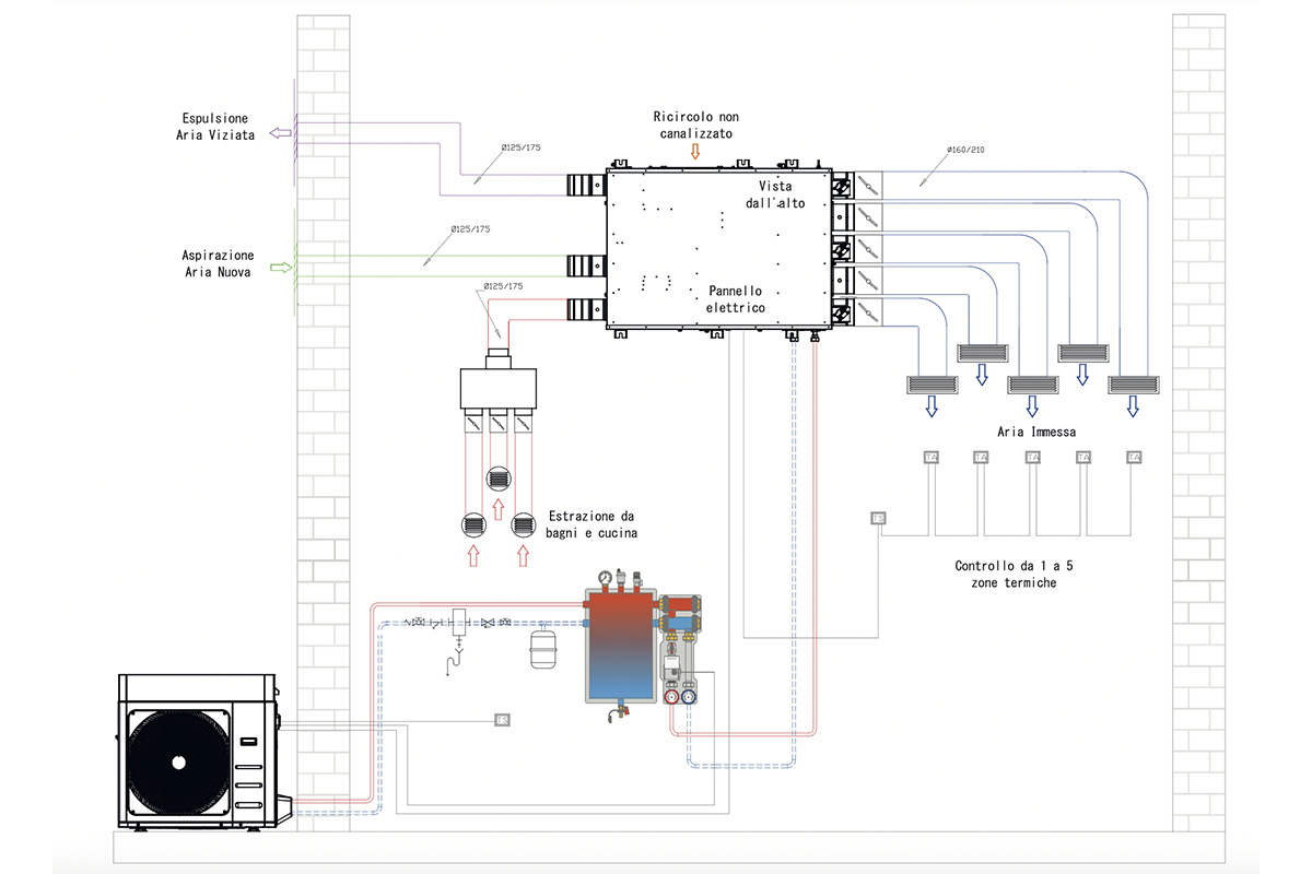
StreamAIR Autonomo

Pensato per singole unità abitative e ristrutturazioni, offre climatizzazione e VMC integrate con la massima flessibilità installativa.

Image